Onvio LLC - AL Series

AL Series Planetary Reducer

The Onvio AL Series planetary reducer is a proven, versatile solution for a wide range of motion control and automation applications. Designed with straight tooth gearing, the AL Series delivers high efficiency, speed, and cost-effectiveness without compromising precision or reliability. Key features include straight tooth gearing, dual deep groove ball bearings supporting the output, IP54 sealing, and less than 12 arc-min backlash.

Now in Stock - NEMA 23 & NEMA 34

Price & Availability

AL-010 Ratings

AL-020 Ratings

AL-030 Ratings

AL-Series Part Number Configuration and Quoting

Single Stage

Dual Stage

Ratio

Rated Output Torque

N⋅m

Acceleration Torque

N⋅m

Max Instantaneous Torque

N⋅m

Torsional Stiffness

N⋅m / arcmin

Backlash

arcmin

Rated Input Speed

RPM

Max Input Speed

RPM

Max Radial Load

N

Max Axial Load

N

Efficiency

%

Input Inertia

kg-cm²

Weight

kg

Operating Temperature Range

Noise Level (Measured 1 meter from output @3000RPM

dB(A)

Ingress Protection Class

Service Life

Hrs

Lubrication

Applications & Industries

  • High Efficiency – Straight tooth design minimizes power loss, maximizing throughput. 


  • High Speed Capability – Engineered to perform reliably in demanding, fast-moving applications. 


  • Cost-Effective – A durable, precise planetary reducer at a competitive price point. 


  • Flexible & Customizable – Standard models available from stock, with easy customization options to meet specific application needs.

  •  

  • Trusted Performance – A proven design with decades of field use across industries. 


Applications & Industries 

The AL Series has been deployed in applications ranging from large-scale industrial systems to cutting-edge robotics. Typical uses include: 

  • General Automation – Reliable motion control for conveyors, assembly systems, and packaging lines. 


  • Postal & Logistics – Trusted in high-volume systems such as automation for the U.S. Postal Service.

  •  

  • Robotics – Lightweight, efficient reducers for modern robotic platforms. 


  • Food & Beverage – Options available for food-safe applications requiring cleanliness and corrosion resistance. 

Single Stage

Dual Stage

Ratio

Rated Output Torque

N⋅m

Acceleration Torque

N⋅m

Max Instantaneous Torque

N⋅m

Torsional Stiffness

N⋅m / arcmin

Backlash

arcmin

Rated Input Speed

RPM

Max Input Speed

RPM

Max Radial Load

N

Max Axial Load

N

Efficiency

%

Input Inertia

kg-cm²

Weight

kg

Operating Temperature Range

Noise Level (Measured 1 meter from output @3000RPM

dB(A)

Ingress Protection Class

Service Life

Hrs

Lubrication

Single Stage

Dual Stage

Ratio

Rated Output Torque

N⋅m

Acceleration Torque

N⋅m

Max Instantaneous Torque

N⋅m

Torsional Stiffness

N⋅m / arcmin

Backlash

arcmin

Rated Input Speed

RPM

Max Input Speed

RPM

Max Radial Load

N

Max Axial Load

N

Efficiency

%

Input Inertia

kg-cm²

Weight

kg

Operating Temperature Range

Noise Level (Measured 1 meter from output @3000RPM

dB(A)

Ingress Protection Class

Service Life

Hrs

Lubrication

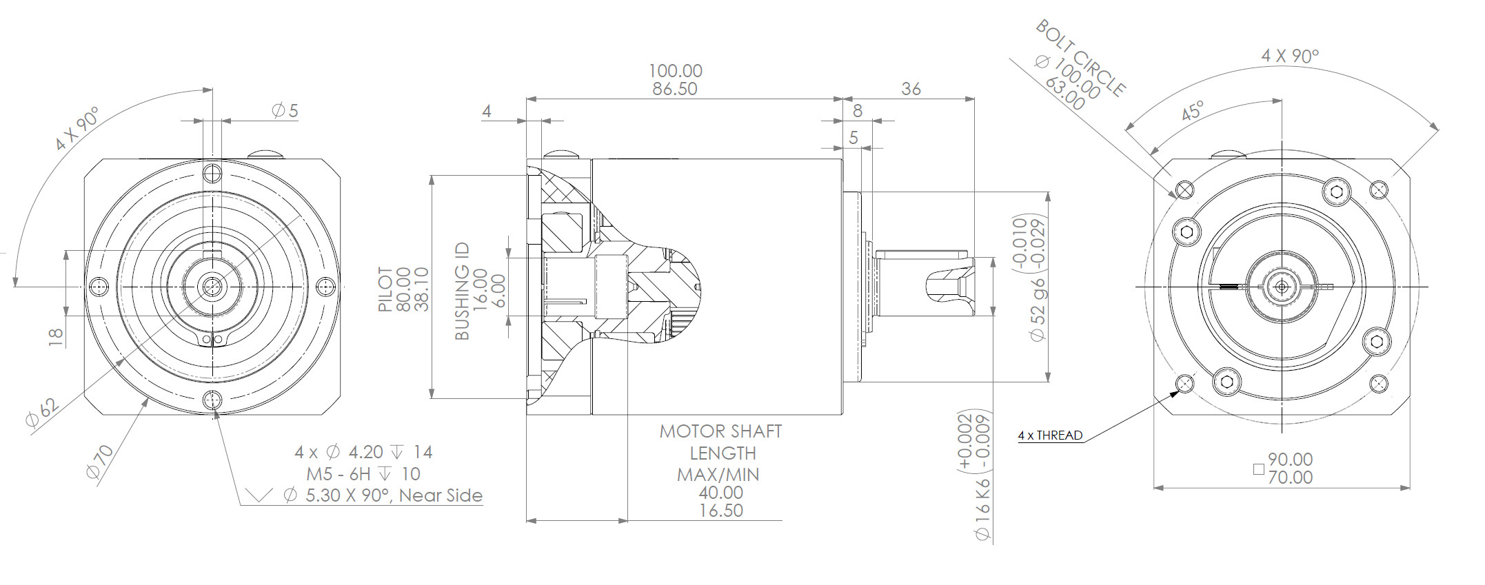
Drawings

AL-010 Single Stage

AL-010 Single Stage with NEMA Output Flange


AL-010 Dual Stage

AL-010 Dual Stage with NEMA Output Flange

Drawings

AL-020 Single Stage

AL-020 Single Stage with NEMA Output Flange


AL-020 Dual Stage

AL-020 Dual Stage with NEMA Output Flange

Drawings

AL-030 Single Stage

AL-030 Single Stage with NEMA Output Flange


AL-030 Dual Stage

AL-030 Dual Stage with NEMA Output Flange